Retiming and Register Balancing in Logic Synthesis | by Rana Umar ...
Introduction to Logic Synthesis (Using Sky130nm PDK) | by Rana Umar ...
Synthesis: Timing Constraints & Understanding SDC | by Rana Umar Nadeem ...
Logic Synthesis: Pre-Mapping and Tech-Independent Transformations | by ...
Out-of-Order Execution: The Key to Faster and Smarter CPUs | by Rana ...
List: Basics of Logic Design | Curated by Rana Umar Nadeem | Medium
Digital Logic Blocks: Combinational Logic | by Rana Umar Nadeem | Medium
Logic Synthesis: Post Mapping Optimization | by Rana Umar Nadeem | Medium
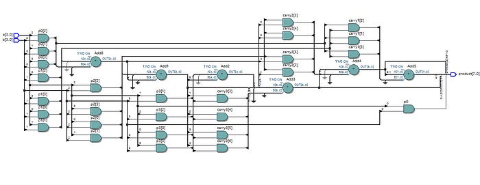
Multipliers in Digital Logic - by Rana Umar Nadeem
PPT - Integrating Logic Retiming and Register Placement PowerPoint ...
Synthesis: Level Shifters. In today’s multi‑voltage SoCs… | by Rana ...
Design for Testability: Scan Chain Architectures and Variants | by Rana ...
Pin by Rana Umar on botenical flowers | Acrylic painting flowers ...
Pin by Rana Umar on borders | Flower art images, Abstract flowers ...
Images By Rana Umar On Draw 2A | Digital borders design, Digital ...
Pin by Rana Umar on boarders | Flower prints art, Print design art ...
Pin by Rana Umar on borders | Design pattern art, Paisley print design ...
Pin by Rana Umar on borders | Digital flowers, Botanical flower art ...
Clock Gating in Synthesis. In modern digital chip design, power… | by ...
(PDF) Integrating Logic Retiming and Register Placement
Design for Testability: Controllability and Observability Metrics | by ...
Design for Testibility: Fault Modeling | by Rana Umar Nadeem | Medium
Design for Testability: Fault Collapsing | by Rana Umar Nadeem | Medium
Synthesis: DFT-Aware Design Essentials | by Rana Umar Nadeem | Medium
Branch Prediction: Tackling Pipeline Stalls for Performance | by Rana ...
Design for Testability: Scan Design Implementation and Enhancement | by ...
Design For Testibility : Fault Simulation | by Rana Umar Nadeem | Medium
Retiming and gate cloning to improve slack: (a) Register E cannot be ...
Label Design for PREMIER BRANDS by Rana Umar | Design #24179878
Pin by rana umar on Quick Saves | Oxford shoes, Shoes, Oxford
Rana Umar Daraz | - Hello ? 👋 #lawyer #lahore #pakistancollegeoflaw ...
Rana umar | *یہ الگ بات ھے میں کنارے پر بیٹھا ہوں* *لیکن کون کتنے پانی ...
Rana umar Umar - --CAF Student at ICAP | Future Chartered Accountant ...
Rana umar | __” 🖤🥀 ¦¦ “ __” 🖤🥀 ¦¦ “ فرق کیجئے زرا ۔۔۔! آپ مہنگے ہیں ...
Punjab Police Dance By Rana Umar (Rana U.S.A) Chowk Azam Layyah 0306 ...
Pin by Rana Umar on toyota | Car, Suv, Car door
Pin by Rana Umar on Botanical art | Botanical art, Botanical, Art
Methods and apparatus for probing signals after register retiming ...
Logic Circuits 101: Understanding Combinational Logic and Its ...
HW Activity Part A: Sharing the 6 guidelines with your classmate | by ...
Netlist derived from the logic synthesis tool for CMOS logic, with ...
Rana Umar Daraz | Down to earth but still above you 🔥 | Instagram
Instagram video by Rana Umar Gadi • Jul 19, 2022 at 10:02 AM
Rana Umar (@dragotrader) • Instagram photos and videos
good shot by Rana umar - YouTube
PPT - Logic Synthesis Using SIS PowerPoint Presentation, free download ...
rana umar waheed (@ranaumar_waheed) • Instagram photos and videos
Rana Umar - Digital Marketing Director at ecom | LinkedIn
Two-phase ASIC synthesis flow with a) the initial architecture ...
SYNTHESIS (LOGIC/HDL VERSUS PHYSICALLY AWARE) - FPGAs: World Class ...
Topograhical synthesis | PDF
Design for Testibility: Fault Activation, Propagation, and Observation ...
Generalized Parallel CRC Computation | PDF | Computing | Technology ...
Rana umar (@Ranaumar26) / Posts / X
Rana Umar Tahir🇵🇰 (@RanaUmarTahir) / Posts / X
Sentiments and Word-WAR Frequency Analysis on Twitter Profile of ...
IPL 2025 | Kolkata Knight Riders | Harshit Rana Profile
India vs England: Jos Buttler criticises use of Harshit Rana as ...
A SURVEY ON MACHINE LEARNING APPLICATIONS IN VLSI CAD | PDF
PPT - Introduction to Field Programmable Gate Arrays PowerPoint ...
Building Blocks of Computing: An In-Depth Look at Computer Architecture ...
eVLSI: What is Register Retiming?
(RANA UMAR)شریف لوگ 🇰🇼 (@chumar1004) | TikTok
Figure 2 from Design Automation Methodology from RTL to Gate-level ...
Pipelining in VLSI -A short revisit - YouTube
Basics of Editing in Avid Media Composer - Part 2
Cash Register Balance Sheet Excel at Harold Raines blog
Diwakar - Shah Rukh Khan won the National Award for Best Actor after 33 ...
Building A Simple Ai With Decision Trees In Python – peerdh.com
Cash Register Count Sheet Template
End Of Day Cash Register Report Template - Templates.maexproit.com
courses:system_design:synthesis:controlling_synthesis [VHDL-Online]
第二十九课:Placement_place opt中用到logic synthesis-CSDN博客
Basic Elements of Signal Flow Graph - GeeksforGeeks
Eagle DNS服务器全面管理指南-CSDN博客
如何综合(synthesis)ASIC设计? - 知乎
DFT scan chain基础入门-CSDN博客