N25 12V 370RPM Metal gear Motor With Encoder D type – Aerokart India
Solved Problem 2. The encoder shown in Figure 2 was used to | Chegg.com
Priority Encoder - Electronics-Lab
Encoder and Decoder Circuits - HSC
Solved FIGURE 9-20 An 8-to-3 Priority Encoder Cengage | Chegg.com
15-32-0250-01,5 ELGO Rotary Encoder - Emolice
PPT - Encoder PowerPoint Presentation, free download - ID:2095241
What is Digital Encoder | How Digital Encoder Works - YouTube
Figure 4 from Sine Encoder SinCos Transducer Position Interface ...
Encoder Selection - Part one: Properties | maxon group
Solved Q4-A Design a special type of encoder which is shown | Chegg.com
Encoder | PDF
BCD Encoder circuit diagram and truth table in digital electronics
MX-Encoder, D=37.3, L2=4500 + Kone spare part
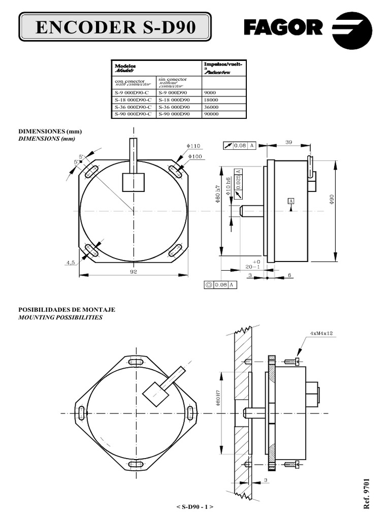
Dynatel 965: Encoder S-D90 Usado | PDF | Ingenieria Eléctrica ...
Comprar ENCODER ROTATIVO em Policomp Componentes
Encoders What is an encoder An encoder is
High-Resolution Encoder With Diameter of 55 MM | Download Free PDF ...
An absolute optical encoder disc is shown below, with LSB and MSB ...
Solved Consider the following encoder (Figure 1) of a | Chegg.com
Encoders - Tpoint Tech
Encoder architecture we used for all methods. In the figure, K, F, and ...
Encoder and Decoder
GitHub - vasanthkumarch/Experiment-08-Encoders-and-decoders-
What Is Encoder Decoder Model at Qiana Flowers blog
Encoder 8 To 3 | PDF
Encoder & Decoder | PDF
Encoder basics | PPT
Encoder Circuit Diagram And Truth Table
Encoder Resolution Calculator: Hướng dẫn và Ứng dụng Toàn diện
The diagram of our model. E, G, D are the encoder, the generator, and ...
8 3 Encoder Circuit Diagram
PPT - Chapter 6 PowerPoint Presentation, free download - ID:260828
Encoder Products Company on LinkedIn: Motor Encoders: What is a Motor ...
How to Calculate Encoder Resolution | Dynapar
Optical encoder | THE INSTRUMENT GURU
Encoder and Decoder technique As mentioned above, since our model ...
digital-electronics_9 encoder and decoder pdf | PDF
Digital Encoder and Priority Encoder: Operation, Truth Tables, and ...
GHB38 8mm blind shaft rotary encoder incremental l... – Vicedeal
PPT - Circuits PowerPoint Presentation, free download - ID:2804963
Encoder Basics
GTRIC D40L60 8-shaped coupler Plastic Elastic Aluminum Alloy figure ...
Amazon.com: JTAREA KY-040 Rotary Encoder Module 360 Degree Switch ...
PPT - Mastering Decoders and Multiplexors in Digital Design PowerPoint ...
microcontroller - How do I get a position from an encoder? - Electrical ...
Principle of operation of an optical encoder | Download Scientific Diagram
6) Encoder | PDF
ENCODER H-D90
OG 9 Incremental Encoders Baumer - Your MRO Component Supplier ...
Customizable Hall Encoder Special Encoder Module For Micro-motor 1024 ...
Encoder Decoder Architecture Neural Network at Carl Bills blog
Design of decoders and encoders - YouTube
GLFILL Optical Encoder E6B2-CWZ6C 1000P/R Rotary Encoder 5-24V ...
Encoder/Decoder LSTM model for time series forecasting - PyTorch Forums
Figure 1 from Design of encoders for linear-coded D/A converters ...
Difference Between Encoder and Decoder with Applications
Digital Design Module 2 Encoder Amit Kumar AP
What Is Encoder Count at Melissa Wolf blog
The structure of the Decoder D | Download Scientific Diagram
Encoder Decoder Mechanism [33] | Download Scientific Diagram
Ec11 Metal Shaft Rotary Encoder With Threaded Bushing-Soundwell Electronic
how to make an 8-3 encoder using 4-2 encoders | Forum for Electronics
A(2,1,3) Convolution Encoder | Download Scientific Diagram
PPT - GPS Robot Navigation Critical Design Review PowerPoint ...
Free 3D file Protection of the encoder for the RDM-33.・3D printing ...
Encoder Principles Explained
Rotary Encoder Dimensions at Joshua Mckivat blog
Diagram describing the operation of encoder i, for i = 1, 2. I C ...
Example showing how the CLIP text encoder and image encoders are used ...
Encoder circuit diagram | Download Scientific Diagram
Encoders | PDF
Encoder-Decoder, Sequence to Sequence architecture. | Download ...
Aek
Encoder-Decoder Structure | Download Scientific Diagram
Panduan Lengkap Encoder: Jenis, Aplikasi, dan Manfaat | MachineMFG
ESP32 Encoder: Hướng Dẫn Chi Tiết, Ứng Dụng và Các Dự Án Thực Tế
Single-turn vs. Multi-turn Encoders: The Lean Guide
Encoder: The Ultimate Guide | What is an Encoder, Uses & More | EPC
Command sources
Chapter-4
(a) Simplified structure of an optical encoder; (b) TTL output; (c ...
Decoders decoderand design with their.pptx
Encoders | Computer Organization And Architecture Tutorials | Teachics
The number of parameters of main modules in the proposed NC-Net (E ...
D-decoder Fig 3.Shows the 12 E decoders ICs are a series of CMOS LSI s ...
Description of the encoder-decoder model; 3 × 3 represents the ...
U-Net and encoder/decoder structure. | Download Scientific Diagram
The Ultimate Guide to Encoders: Types, Applications, and Benefits ...
Encoders in DD PDF | PDF
15.33.200 Encoders by ELGO ELECTRONIC
What is the Encoder? How do encoders work?
Illustration of ablation study baselines. E: encoder; D: decoder ...
E38S6G5-600B-G24N Photoelectric Incremental Rotary Encoder, D-type ...
Optical Sensors
Intusoft Newsletter, Dec 2004
Ec33 Ring Encoders-33mm Ring Encoders Data Sheet Pdf-Soundwell ...
Optical Encoders | PPT
Resolution, Accuracy and Precision of Encoders | 2019-09-11 | ASSEMBLY
Example of transformer (or encoder-decoder) architecture. The inputs ...
Schematic sketch of a typical 8 to 3 encoder. | Download Scientific Diagram
The structure of the Encoder-Decoder in the Transformer. | Download ...
A Comprehensive Guide to Categorical Data Encoding: Exploring ...
Encoder-Decoder diagram. | Download Scientific Diagram
What is an Encoder?
Encoders and types of encodrs | PPT
Based on this image's title: “Figure 9.33 - Encoder + d”